生产实习-南京越博动力系统股份有限公司
一、企业相关信息
1. 企业名称
南京越博动力系统股份有限公司
2. 企业简介
南京越博动力系统股份有限公司是国内领先的新能源汽车动力总成系统产品和解决方案提供商。公司成立于2012年,总部位于南京市新城科技园。2018年5月8日在深交所创业板成功上市。
越博动力始终坚持以自主创新和领先科技为核心驱动力的内涵式发展道路,拥有新能源汽车整车控制技术、驱动电机及控制技术、自动变速器及控制技术、动力系统集成一体化技术等核心技术。目前已与东风汽车、长安汽车、中国一汽、北汽集团、金龙集团、陕汽集团、中通客车、山西大运等国内顶级新能源汽车厂商展开合作。截至2019年6月,公司已申请国内外专利356项,其中授权专利180项。
越博动力始终秉持“诚信为本、客户至上、专注品质、追求卓越”的经营理念,致力打造全球最具竞争力的新能源汽车动力系统,推动新能源汽车行业发展。
3. 企业Logo

4. 启动会照片及全体合影





二、实习项目及分组
(1)项目一
项目名称:齿轮仿真及修形
项目简介:
设计一款4.5T蓝牌物流车用减速箱计算模型,最大输入扭矩310N·m,峰值功率130kW,峰值转速12000rpm(常规转速5000-8000rpm),速比3左右,中心距100mm,利用KISSsoft和Romax软件分别进行齿轮的配齿和齿轮配齿后的仿真计算。
小组成员:高浚哲 张振宙 王琛禹

项目成果:


经过配齿调整参数后,我们将齿轮端面重合度从1.423提升到1.924,并且齿轮的最小齿根重合系数和最小齿面重合系数均满足要求;
利用KISSsys软件得出的配齿参数,在Romax软件里建立模型并进行仿真,修形前后齿面载荷分布系数、最大接触应力、单位载荷长度、法向载荷分布均得到改善,传动误差略有增加但修形后数据在合理范围内;
(2)项目二
项目名称:IGBT水道散热仿真
项目简介
根据现有的东风易捷特项目电机控制器散热水道,用两款不同的散热仿真软件对散热水道进行热仿真分析,根据实测结果对仿真的准确性进行评估,给出评判性结论及水道建议,形成分析报告。
小组成员:
姓名:马 康 郑丁豪 崔 阳
合影:

项目成果:




热模型求解计算收敛条件有:
①残差曲线计算结果收敛。
②进出口差值。通常进出口表现为残差曲线最后呈现为一条水平直线。流量相对误差在1%之内,可认为模型求解收敛。
③变量监控点。如果残差曲线显示求解已经收敛,但是监控点的变量仍有变化,进出口质量和热量不守恒,那么此情况表示求解计算尚未完全收敛,修改Basic settings中Flow和Energy的残差标准数值,继续计算,使其收敛。
热模型求解计算不收敛原因:
①网格质量差
②设置的迭代因子数值较大
③不合理的边界设置
④模型进出口边界条件设置不正确
⑤冷却介质属性设置不相同
⑥某些区域液体流速较高
(3)项目三
项目名称:基于ANSYS的矿卡电机水道阻力CFD分析
项目简介:
水冷电机是通过向壳体内部水道注入冷却水来对电机进行散热的一种电机,一般以电机机座水冷为主,部分机型的端盖也可设计成水冷结构。水冷机座有一个进水口及出水口,壳体内部有多条水道,这样可以充分发挥水冷的优势,带走更多电机所产生热量。由于客户对于水道水阻数据的需求,并且整体电机的散热所需考虑因素太过繁多,无法进行,因此此次项目我们是对水道的水阻进行ansys的仿真分析。
小组成员:
姓名:高飞 李泽春 李桂鹏
合影:

项目成果:



对于单一的水道模型而言,我们可以发现,随着我们输入的流量的不断在增加,其进出口压力的平均值也在不断地增大,并且二者的曲线近似呈抛物线;
两种水道对比我们可以发现在同种流速下,轴向式水道的进出口压力平均值要高于螺旋式水道,并且螺旋式水道随着入口流速增加而增加的趋势比较缓;
3)对于流体而言,其进出口压力越大证明其在水道内流动的阻力越大,而阻力越大其流速将变缓,这会影响最终的散热效果。
(4)项目四
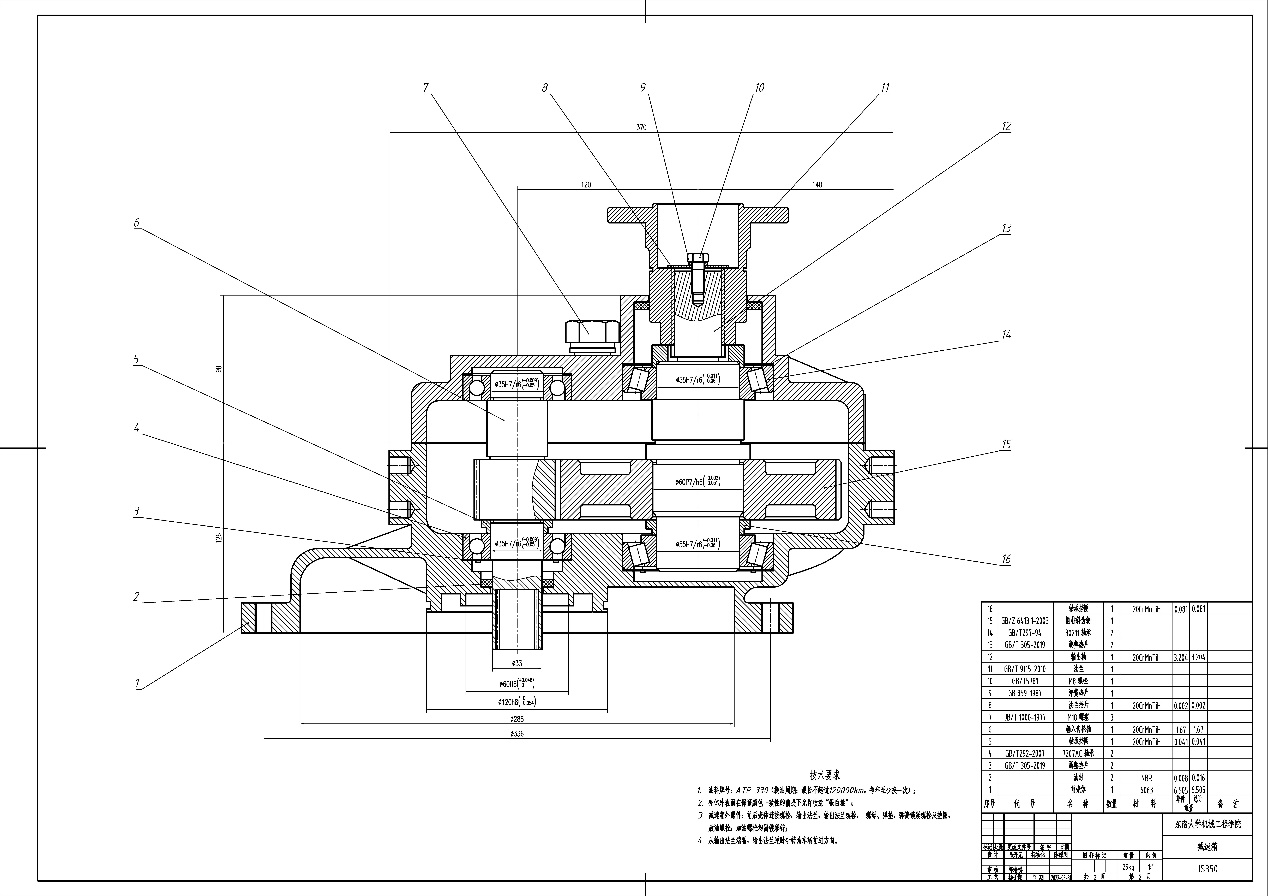
项目名称:纯电4.5T轻卡减速箱结构设计
项目简介:
本项目设计了一款适用于4.5T轻卡纯电动力总成的单级减速箱,适配高速电机(主驱)+减速箱方案,在保证整车动力性和可靠性的同时降低制造成本。设计依据整车动力性参数、总成边界尺寸及安装尺寸,同时需要满足整车动力性需求。

(3)产品主要技术指标
小组成员:
姓名:马开元、陈禄同、杨子谦

项目成果:
本项目设计了一款4.5T单级减速箱,完成了机械结构设计与各关键零件的校核,撰写了设计说明书,完成了各零件的三维建模及装配,并绘制了二维装配图、二维外形图。
三维建模



外形图与装配图绘制

外观图

装配图
设计说明书

